Standardausführung Type 14
Standardausführung Type 14Standardausführung Type 14Standardausführung Type 14

Standardausführung Type 14

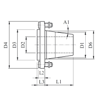
Preci-Flex® Adapter Schrumpffutter Standardausführung, Type 14

Für das Preci-Flex® Werkzeugsystem von Eppinger, welches für Preci-Flex® Adapter und für ER-Spannzangen geeignet ist.
A1 = 8°
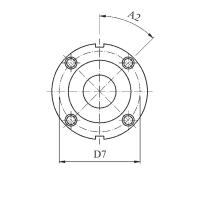
A2 = 45°

Vorteile
- Die Kegel/Plananlage-Schnittstelle gewährleistet höchste Genauigkeit und Steifigkeit
- Sowohl für angetriebene als auch für feststehende Werkzeuge einsetzbar
- Der kompakte Aufbau gewährleistet eine optimale Kraftübertragung und Systemsteifigkeit
- Die Handhabung ist einfach und praxisgerecht

Für Rückfragen stehen wir gerne zur Verfügung. Bitte fragen Sie uns an.
Haben Sie eine Frage zum Artikel?