Abdichtungen von Preci-Flex Spindeln
Abdichtungen von Preci-Flex Spindeln

Abdichtungen von Preci-Flex Spindeln

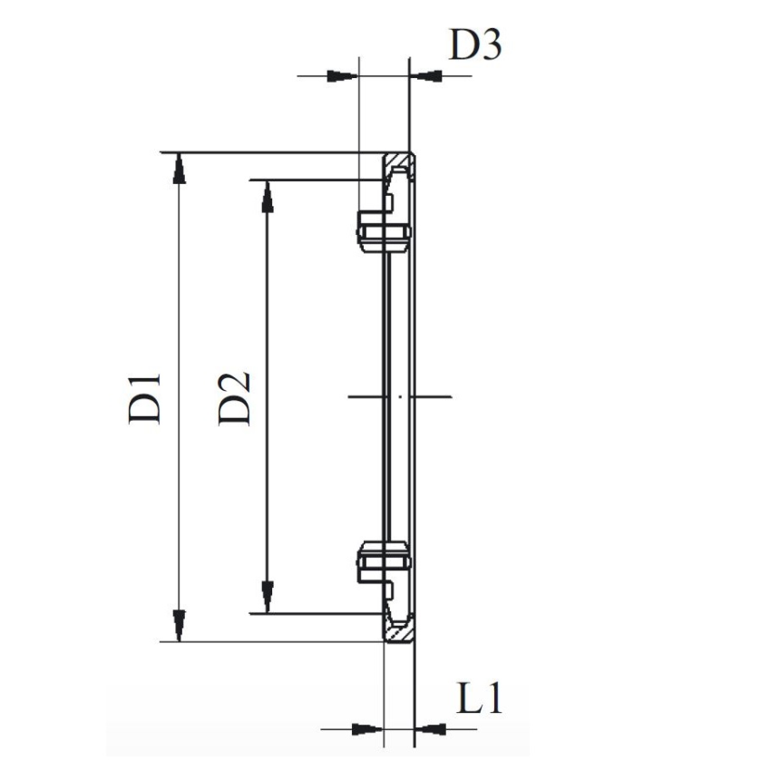
Abdichtungen von Preci-Flex® Spindeln

Empfehlenswert beim Einsatz von Spannzangen auf angetriebenen Werkzeugen mit Innenkühlung. Verhindert den seitlichen Kühlmittelaustritt.

Für Rückfragen stehen wir gerne zur Verfügung. Bitte fragen Sie uns an.
Haben Sie eine Frage zum Artikel?