Form C3
Form C3Form C3

Form C3

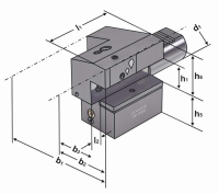
Axial-Werkzeughalter Form C3 Überkopfrechts, kurz, für Werkzeuge mit Innenkühlung

Hochpräzisions-Kühlschmierstoffzufuhr resultiert in einem verbessertenSpanbruch, längeren Standzeiten sowie optimaler Prozesssicherheit undProduktivität.

Verbesserte Spanabfuhr und reduziertes Risikovon Spanstau. Entscheidende Faktoren für erfolgreiches Einstechentiefer Nuten. Effektive Kühlung bei niedrigem bis hohemKühlschmierstoffdruck.

- Konventionelle Kühlung, per Schraube verschließbar
- Dank Normierung mit allen gängigen Systemen kompatibel

Für Rückfragen stehen wir gerne zur Verfügung. Bitte fragen Sie uns an.
Haben Sie eine Frage zum Artikel?