Futterflansche
FutterflanscheFutterflanscheFutterflansche

Futterflansche

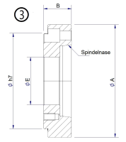
Futterflansche zu Kitagawa Kraftspannfutter

Für Kurzkegel-Spindelnasen ASA B5.9 Typ A (austauschbar DIN 55026).
- Artikelnummern CBB passen zu 2- und 3-Backenfutter, CB nur zu 3-Backenfutter und CBT nur zu 2-Backenfutter.
- Artikelnummern ..10.. passen auch zu 12"-Futter (Ø 304/315 mm)

Abmessungen (mm)
A2-4: C=63.513, D=61.1, G=82.55
A2-5: C=82.557, D=79.7, G=104.78
A2-6: C=106.377, D=103, G=133.35
A2-8: C=139.722, D=136, G=171.45
A2-11: C=196.87, D=192.1, G=235
A2-15: C=285.75, D=252, G=330.2

Weitere Flansche auf Anfrage

Für Rückfragen stehen wir gerne zur Verfügung. Bitte fragen Sie uns an.
Haben Sie eine Frage zum Artikel?