Kurze Ausführung Type 15
Kurze Ausführung Type 15Kurze Ausführung Type 15Kurze Ausführung Type 15

Kurze Ausführung Type 15

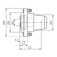
Preci-Flex® Adapter Spannzangenaufnahmen, kurze Ausführung mit Innenmutter, Type 15

Für das Preci-Flex® Werkzeugsystem von Eppinger, welches für Preci-Flex® Adapter und für ER-Spannzangen geeignet ist.

Vorteile
- Geeignet für innere Kühlmittelzufuhr
- Die Kegel/Plananlage-Schnittstelle gewährleistet höchste Genauigkeit und Steifigkeit
- Sowohl für angetriebene als auch für feststehende Werkzeuge einsetzbar
- Der kompakte Aufbau gewährleistet eine optimale Kraftübertragung und Systemsteifigkeit
- Die Handhabung ist einfach und praxisgerecht

Für Rückfragen stehen wir gerne zur Verfügung. Bitte fragen Sie uns an.
Haben Sie eine Frage zum Artikel?