Nach dem Login sehen Sie Ihre vorteilhaften Preise!
Verlängerte Ausführung Type 14
Verlängerte Ausführung Type 14Verlängerte Ausführung Type 14Verlängerte Ausführung Type 14

Verlängerte Ausführung Type 14

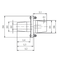
Preci-Flex® Adapter Schrumpffutter verlängerte Ausführung, Type 14

Für das Preci-Flex® Werkzeugsystem von Eppinger, welches für Preci-Flex® Adapter und für ER-Spannzangen geeignet ist.
A1 = 8°
A2 = 45°

Vorteile
- Die Kegel/Plananlage-Schnittstelle gewährleistet höchste Genauigkeit und Steifigkeit
- Sowohl für angetriebene als auch für feststehende Werkzeuge einsetzbar
- Der kompakte Aufbau gewährleistet eine optimale Kraftübertragung und Systemsteifigkeit
- Die Handhabung ist einfach und praxisgerecht

Für Rückfragen stehen wir gerne zur Verfügung. Bitte fragen Sie uns an.

Varianten

Zuletzt besuchte Produkte